BXQ-98T系列防爆动力(电磁起动)配电箱(IIB、IIC)

   

适用范围
1、1区、2区危险场所。
2、IIA、IIB、IIC类爆炸性气体环境。




产品特点
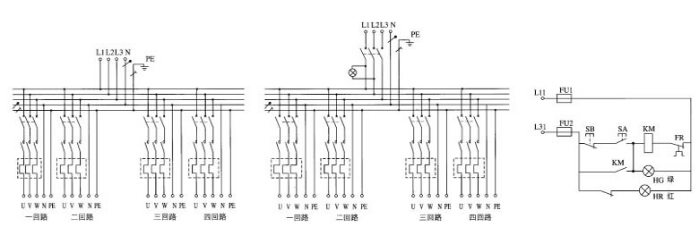
1、适用于控制多台电动机,还可为照明或仪表配出电源。
2、铸铝合金或钢板焊接外壳,表面喷塑。
3、内装元件可根据用户要求选配。
4、可在箱面或远控操作,也可两地操作。
5、具有过载,短路,失压保护。
6、钢管或电缆布线均可。
订货须知:订货时请将支路数及各支路对应的电流,进出线口数量及相应的方向,规格要求明确,如有总开关,并注明总开关的电流大小或提供图纸。
7、符合GB3836-2000,IEC60079标准要求。


  Applying scope
1、Can be used in Zone 1 and Zong 2 dangerous places.
2、Can be used in IIA、IIB、IIC group explosive atmosphere.

Features
1、Able to control several motors, also to supply power for illuminating of instrument.
2、The shell is made of diecasted Al-alloy or welded steel plates with plastic-sprayed surface.
3、Inner components can be selected by user.
4、Local or remote control is avaiable, or both.
5、With protections of overload, short-circuit, and voltage-absent.
6、Suitable for steel pipe and cable wiring.
Notice: if ordering: The number of branch and its relative current of circuits shall be indicated, also the inlet and outlet numbers and their directions, specifications. If want a chief switch, please note its current or offer drawing.
7、Suitable for GB3836-2000, IEC60079 standard request.
  
 
型号含义 Type designation  
   
主要技术参数 Specification  
回路数
额定电压(V)
总开关电流(A)
支路电流(A)
防爆标志
防护等级
防腐等级
2,3,4,6,8
380
≤400
≤160
Exde II BT6
Exde II CT6
IP54*IP55
WF1
 
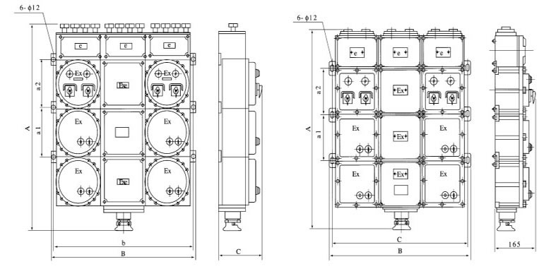
产品结构 Structure of product
规格
内装元件
结构类型
备注
支路电流小于63A
小型断路器交流接触器,万能转换开关,热继电器*可根据要求加装,电流表和互感器
采用模块式结构,
实现多回路自由组合。
进出线口数量及规格根据用户要求制定。
支路电流大于63A
塑壳断路器,交流接触器,
万能转换开关,热继电器。
采用大壳体组合
 
外形及安装举例 Outline and mounting example
BXQ-98T