BXX8050系列防爆防腐电源插座箱(IIC)



适用范围
1、1区、2区危险场所。
2、ⅡA、ⅡB、ⅡC类爆炸性气体环境。

Application
1、Can be used in Zone 1 and Zone 2 dangerous places.
2、Can be used in ⅡA、ⅡB、ⅡC group explosive atmosphere.


产品特点
1、插座箱外壳采用玻璃纤维增强不饱和聚酯树脂压制而成,外形美观,耐腐蚀、抗静电、耐冲击及热稳定性好等优良性能。
2、各种插座组装在一起适合不同的要求,并可根据要求加装指示灯。
3、符合GB3836-2000,IEC60079标准要求。
Features
1、The shell is made of glass fiber and unsaturated polyester resin, with beautiful appearance, the functions of corrosiion-proofing, electro static-resistant, impulsion-withstanding, thermal stability.etc.
2、The diversified sockets composed together that suits for different requests, and it can be added indicators by request.
3、Suitable for GB3836-2000, IEC60079 standard request.

 
 
主要技术数据 Main technical Specification
回路数
额定电流(A)
额定电压(V)
极数
防护等级
防爆标志
防腐等级
2 3 4 6
16
220
1P+N+PE
IP65
Exed Ⅱ CT6
WF2
380
3P+N+PE
 
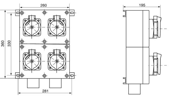
产品外形举例 Outline example