
全国咨询热线
0513-83630898
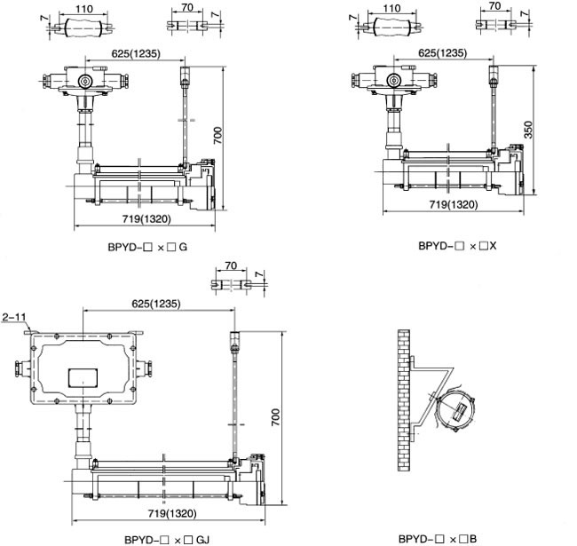
BPYD系列复合型防爆荧光灯(IIB)
|
>>>返回产品目录 |
||||||||||||||||||||||
|
|||||||||||||||||||||||
![]() |
|||||||||||||||||||||||
| 主要技术参数 Main technical parameters | |||||||||||||||||||||||
|
|||||||||||||||||||||||
| 应急电气原理图 Emergency electrical principle chart |
|||||||||||||||||||||||
![]() |
|||||||||||||||||||||||
| 注:N为零线 L为常通相线(逆变器电源、供电池充电,连续充电≥24h,应急≥90min) LK为控制相线(通过控制相线的开和关,来控制荧光灯的点亮和熄灭) |
|||||||||||||||||||||||
![]() |
|||||||||||||||||||||||
>>>返回产品目录 |
|||||||||||||||||||||||