适用范围
1、爆炸性气体环境危险场所:1区、2区
2、爆炸性气体环境:ⅡA、ⅡB
3、温度组别:T1~T6
4、户内、户外
Application scope
1、Explosive gsa atmospheres hazardous location:zone 1,zone2
2、Explosive gsa atmospheres:group ⅡA,ⅡB
3、Temperature class:T1~T6
4、Indoor and outdoor
产品特点
1、可适用于400V、230V及以下线路中作为连接各种电器、仪表设备的分线、接线之用,也可作自控或通讯信号或电源线 的连接。
2、铸铝合金外壳,表面喷塑。
3、端子、出线口方向。数量及公称直径可变化。
4、钢管或电缆布线,电缆布线须配电缆密封接头。
Product Features
1、It could be used for connecting of branch lines and wire of apparatus and meters in circuit of 400/230V and blew,also of signal or source line for automatic control of telecommunication.
2、Enclosure is made of casting aluminum alloy,sprayed with plastics.
3、No.of terminal,direction of outlets,number and normal dia.could be changed.
4、Wiring with conduit or cable,if the latter,it should be fitted with explosion-protected cable seal gland. |
|
型号及规格 |
端子数 |
结构形式 |
进出口形式 |
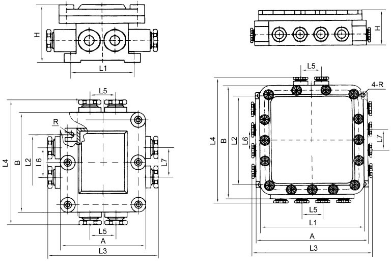
外型及安装尺寸 |
L1 |
L2 |
L3 |
L4 |
L5 |
L6 |
L7 |
R |
A |
B |
H |
JXD-Ⅰ4/3 |
4 |
1 |
2 * a , 1 * b |
85 |
75 |
150 |
|
|
|
40 |
3.5 |
115 |
135 |
78 |
JXD-Ⅰ4/4 |
4 |
2 |
3 * a , 1 * b |
85 |
75 |
150 |
170 |
|
|
|
3.5 |
115 |
135 |
78 |
JXD-Ⅰ4/5 |
4 |
3 |
4 * a , 1 * b |
85 |
75 |
150 |
170 |
|
|
40 |
3.5 |
115 |
135 |
78 |
JXD-Ⅰ6/5 |
6 |
3 |
4 * a , 1 * b |
84 |
107 |
150 |
201 |
|
|
55 |
3.5 |
115 |
166 |
78 |
JXD-Ⅰ8/4 |
8 |
7 |
3 * b , 1 * c |
135 |
145 |
210 |
|
|
|
55 |
3.5 |
170 |
220 |
89 |
JXD-Ⅰ8/5 |
8 |
3 |
4 * b , 1 * c |
135 |
145 |
210 |
260 |
|
|
65 |
3.5 |
170 |
220 |
89 |
JXD-Ⅰ8/8 |
8 |
8 |
7 * b , 1 * c |
135 |
145 |
210 |
260 |
65 |
|
55 |
3.5 |
170 |
220 |
89 |
JXD-Ⅱ6/4 |
16 |
7 |
3 * b , 1 * c |
145 |
235 |
210 |
|
|
|
80 |
4.5 |
170 |
315 |
89 |
JXD-Ⅱ6/5 |
16 |
3 |
4 * b , 1 * e |
145 |
235 |
210 |
350 |
|
|
95 |
4.5 |
170 |
315 |
89 |
JXD-Ⅱ6/8 |
16 |
8 |
7 * b , 1 * e |
145 |
235 |
210 |
350 |
55 |
|
80 |
4.5 |
170 |
315 |
89 |
JXD-Ⅱ6/11 |
16 |
9 |
9 * b , 2 * e |
145 |
235 |
210 |
350 |
55 |
120 |
475 |
4.5 |
170 |
315 |
89 |
JXD-Ⅰ24/4 |
24 |
7 |
3 * b , 1 * e |
205 |
260 |
260 |
|
|
|
80 |
4.5 |
220 |
340 |
89 |
JXD-Ⅰ24/5 |
24 |
3 |
4 * b , 1 * e |
205 |
260 |
260 |
375 |
|
|
120 |
4.5 |
220 |
340 |
89 |
JXD-Ⅰ24/8 |
24 |
8 |
7 * b , 1 * e |
205 |
260 |
260 |
375 |
75 |
|
80 |
4.5 |
220 |
340 |
89 |
JXD-Ⅰ36/15 |
36 |
5 |
13 * b , 2 * e |
175 |
260 |
330 |
380 |
60 |
140 |
52 |
4.5 |
295 |
345 |
95 |
JXD-Ⅱ3/2 |
3 |
6 |
2 * e |
62 |
120 |
|
210 |
|
|
|
4.5 |
120 |
144 |
75 |
JXD-Ⅱ12/5 |
12 |
4 |
4 * b , 1 * e |
198 |
120 |
172 |
|
45 |
|
|
4.5 |
240 |
136 |
80 |
JXD-Ⅱ12/8 |
12 |
11 |
8 * e |
198 |
120 |
|
184 |
45 |
|
|
4.5 |
240 |
164 |
80 |
JXD-Ⅱ18/7 |
18 |
12 |
4 * b , 1 * e |
274 |
120 |
|
172 |
43 |
|
|
4.5 |
318 |
144 |
80 |
JXD-Ⅱ30/11 |
30 |
10 |
10 * b , 1 * e |
190 |
266 |
275 |
350 |
|
50 |
|
5 |
224 |
286 |
85 |
JXD-Ⅱ36/13 |
36 |
13 |
12 * b , 1 * e |
218 |
215 |
215 |
360 |
50 |
50 |
|
5 |
268 |
274 |
85 |
|