
全国咨询热线
0513-83630898
BX
|
>>>返回产品目录 |
|||||||||||||||||||||||||||||||||||||||||||||||||||||
|
![]() |
|||||||||||||||||||||||||||||||||||||||||||||||||||||
| 型号含义 Type designation | ||||||||||||||||||||||||||||||||||||||||||||||||||||||
![]() |
||||||||||||||||||||||||||||||||||||||||||||||||||||||
| 外形尺寸及示意图 Outline dimensions | ||||||||||||||||||||||||||||||||||||||||||||||||||||||
![]() |
||||||||||||||||||||||||||||||||||||||||||||||||||||||
| 主要技术参数 Specification | ||||||||||||||||||||||||||||||||||||||||||||||||||||||
|
||||||||||||||||||||||||||||||||||||||||||||||||||||||
|
||||||||||||||||||||||||||||||||||||||||||||||||||||||
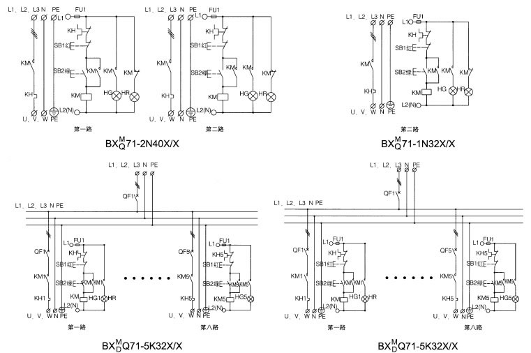
| 电气原理图 Electrical principle chart | ||||||||||||||||||||||||||||||||||||||||||||||||||||||
![]() |
||||||||||||||||||||||||||||||||||||||||||||||||||||||
![]() |
||||||||||||||||||||||||||||||||||||||||||||||||||||||
![]() |
||||||||||||||||||||||||||||||||||||||||||||||||||||||
>>>返回产品目录 |
||||||||||||||||||||||||||||||||||||||||||||||||||||||