| |
|
| |
|
LA5821系列防爆防腐控制按钮(IIB、IIC)
|
|
| |
|
适用范围
1、爆炸性气体混合物危险场所:1区、2区。
2、爆炸性气体混合物:IIA、IIB。
3、温度组别:T1~T6。
4、防爆标志:Exed II BT6。
Application
1、Explosive gas atmospheres:Zone 1&2
2、Dangerous gases or vapors zone: IIA、IIB
3、Temperature classes:T1~T6
4、Ex-marking: Exed II BT6
|
产品特点
1、产品为复合型结构,外壳为增安型结构。
2、采用阻燃ABS注塑成形,具有防水、防尘、 防腐、抗冲击等优良性能。
3、内装元件采用隔爆元件。
4、电缆布线。
5、符合GB3836-2000,IEC60079标准要求。
Features
1、Product is the multi-skill structure, outer covering for increases the peaceful structure.
2、ABS injection molding forming, waterproof, dustproof, anticorrosion anti- impact.
3、Internal part use flame-proof part.
4、Cable wiring.
5、Suitable for GB3836-2000, IEC60079 standard request.. |
|
 |
| 型号含义 Type designation |
|
 |
| |
|
| 主要技术参数 Main technical parameters |
|
型号 |
|
|
触头数量 |
|
电缆外径 |
|
|
LA5821-1 |
|
|
一常开一常闭 |
|
10-14 |
|
|
LA5821-2 |
二常开二常闭 |
LA5821-3 |
三常开三常闭 |
|
| |
|
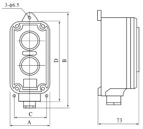
| 外形及安装举例 Outline and mounting example |
|
 |
型号 |
A |
B |
C |
D |
LA5821-1 |
72 |
120 |
56 |
95 |
LA5821-2 |
72 |
167 |
56 |
142 |
LA5821-3 |
72 |
214 |
56 |
189 |
|
|
| |
|
| |
|