| |
|
| |
|
BQC防爆磁力起动器(IIB)
|
|
| |
|
适用范围
1、爆炸性气体环境:1区或2区
2、场所中危险气体或蒸气:IIA、IIB
3、温度组别:T1~T6
4、户内、户外(IP44、可达IP54)
Applying scope
1、Explosive gas atmospheres:Zone 1&2
2、Dangerous gases or vapors zone: IIA、IIB
3、Temperature classes:T1~T6
4、Indoor and outdoor(IP44.It could be designed as IP54 according to user′s requirement.)
型号含义 Type designation
 |
|
 |
| |
|
| 主要技术参数 Specification |
|
型号 |
额定工作电压(V) |
额定工作电流(A) |
热继电器整定电流调节范围 |
控制电动机最大功率 |
进线口规格 |
电缆外径 |
重量 |
防爆标志 |
防护等级 |
BQC-9/□ |
380/400
220/230 |
9 |
0.25-0.35
0.32-0.50
0.45-0.72
0.68-1.10
1.00-1.60
1.5-2.40
2.20-3.50
3.20-5.00
4.50-7.20
6.8-11.0
10-16 15-24
22-33 30-45
50-63 56-86
85-125 |
4 |
G25
|
10-18
|
8.2
|
Exd II BT6
|
IP44
*IP54
|
BQC-16/□ |
16 |
7.5 |
BQC-25/□ |
25 |
12 |
BQC-32/□ |
32 |
15 |
BQC-40/□ |
40 |
20 |
G40
|
16-24.5
|
15.9
|
BQC-63/□ |
63 |
30 |
BQC-100/□ |
100 |
50 |
BQC-9□/N |
9 |
4 |
G50
|
10-18 |
8.5 |
BQC-20□/N |
20 |
10 |
18-36
|
15.5
|
BQC-40□/N |
40 |
20 |
|
| |
|
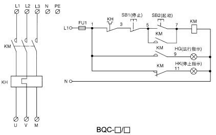
| 外形尺寸及示意图 Outline dimensions |
|
 |
| 电气原理图 Electrical principle chart |
|
 |
序号 |
代号 |
名称 |
型号 |
数量 |
1 |
KM |
接触器 |
B |
1(2为可逆) |
2 |
FR |
热继电器 |
T |
1 |
3 |
ST STP |
按纽 |
LA39 |
2 |
4 |
RD CN |
信号灯 |
AD |
2 |
5 |
FU1 |
熔断器 |
RT18 |
1 |
|
|
| |
|
| |
|