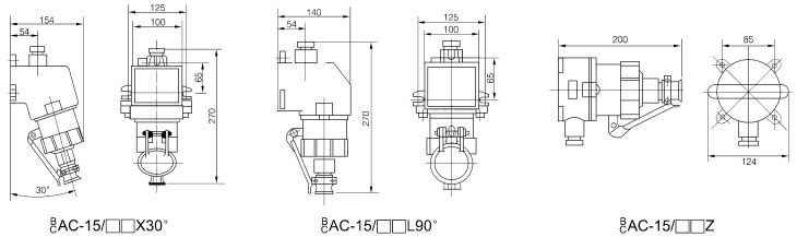
适用范围
1、爆炸性气体环境:1区、2区
2、场所中危险气体或蒸气:IIA、IIB、IIC
3、温度组别:T1~T6
4、户内、户外(防护等级IP54, 可达IP65)
Applying scope
1、Explosive gas atmospheres:Zone 1&2
2、Dangerous gases or vapors zone: IIA、IIB、IIC
3、Temperature classes:T1~T6
4、 Indoor and outdoor (IP 54,It could be designed as IP65 according to user′s requirements)
产品特点
1、适用于额定电压380V或220V,额定电流9、16、20、32、40A的线路中,作为连续手持工具及照明灯电源
2、铸铝合金外壳,表面喷塑
3、插座上带有分、合指示
4、插座的接地触头比主触头长,使主触头未接通前先将地线接通
5、在拔脱插头时,最后分断接地线,以保证安全
6、插销与开关制成联锁结构,当插头插入后,插头上转套向右旋转至一定的角度,插座内的开关即闭合,同时插销不能拔脱。 反之,将转套向左旋转至一定有角度,则开关分断,然后才能拔掉插头
7、插头上设有防护盖,在插头拔脱后,防护盖将插座遮蔽,以免外物侵入
8、钢管或电缆布线,电缆布线须配电缆夹紧密封接头
Features
1、 Suitable for connecting portable portable tool or lighting fixture to supply power in circuits with rated voltage of 380V or 220V and rated current of 9,16,20,32 or 40A
2、Enclosure is made of casting aluminium alloy ,surface is sprayed with plastics
3、With ON/OFF indication on the socket
4、Earth pin is longer than main pin, before power is on, the earth pin works
5、When pulling out the plug, the earth pin could not be disconnected before main pin is disconnected to ensure safely
6、The plug and socket is interlocked with switch. When insert is plug into socket and rotate sheath in right direction to certain angle, the switch can be opened and the plug could be pulled out
7、With guarding cover on the socket, after plug being pulled out, the cover could protect the socket from foreign articles
8、Wiring with conduit or cable,For cable, it should be fitted with explosion-protected cable sealing connector
|
|
 |