XD-Y防爆动力配电箱(星三角起动)(IIB、IIC)

   

适用范围
1、爆炸性气体环境:1区、2区
2、场所中危险气体或蒸气:IIA、IIB、IIC
3、温度组别:T1~T6
4、户内、户外(防护等级IP54, 可达IP65)

Applying scope
1、Explosive gas atmospheres:Zone 1&2
2、Dangerous gases or vapors zone: IIA、IIB、IIC
3、Temperature classes:T1~T6
4、Indoor and outdoor (IP 54,It could be designed as IP65 according to user′s requirements)


产品特点
1、该产品适用于13-125KW三相异步电动机不频繁启动和停止用
2、铸铝合金或钢板焊接外壳,表面喷塑
3、内装断路器、交流接触器、时间继电器、电流互感器、电压表、转换开关、指示灯等
4、延时自动控制时间继电器0.4~60秒内可调
5、起动电动机时电源线的电流不超过电动机额定电流的2.5倍,起动转矩为三角形接线全压起动的1/3
6、适用于长期工作制或反复短时工作制,在反复短时工作制下的操作频率为30次/小时,两次连续启动间隔时间不小于90秒
7、具有过载、短路保护功能
8、进线腔、元件腔、出线腔分别独立
9、输入、输出三相五线制(3P+N+PE)
10、可根据用户要求特制
11、可钢管或电缆布线,电缆布线必须配电缆夹紧密接头


Features
1、Suitable for 13-125KW three-phase asynchronous motor,which is not frequently started and stopped
2、Enclosure is made of casting aluminium alloy or steel plate,surface is sprayed with plastics
3、Equipped with circuit breaker,AC conductor time relay,current transformer,voltmeter,ammeter,reset switch,indicating lamp
4、Time delay relay is adjustable within 0.4-60〃seconds
5、 When starting motor, the current of power-line is less than 2.5 times of motor rate current,starting torque is one third of full voltage of delta connection
6、Suitable to continous long period duty or repeated short period duty.For the latter ,operation frequency is 30 times per hour ,the interval between two starting should be not less than 90 seconds
7、With overload and short circuit protection function
8、Inlet compartment, component and outlet compartment are independent from each other
9、Input:3P+N+PE , output: 3P+N+PE
10、For user′s requirements, it could be specially made
11、Wiring with conduit or cable,For cable, it should be fitted with explosion-protected cable sealing connector


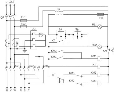
电气原理图 Electrical principle chart 举例 Example
 
型号含义 Type designation
   
主要技术参数 Specification  
型号
控制电机功(Kw)
额定工作电流(A)
热电器整定电流(A)
时间电器整定值
使用类别
极数
XDBC-13Y
13
26
15
11
AC3
3P+N+PE
XDBC-17Y
17
33
19
13
XDBC-22Y
22
42.5
25
15
XDBC-30Y
30
58
34
17
XDBC-40Y
40
77
45
20
XDBC-55Y
55
105
61
24
XDBC-75Y
75
142
85
30
XDBC-125Y
125
260
100-160
14-16
 
防护等级
防爆标志
防腐等级
进线口
电缆外径(mm)
出线口规格
电缆外径(mm)
IP54,*IP65
Exd II BT6
Exd II CT6
W,WF1,WF2
G40
Ф16-Ф24.5
G25
Ф10-Ф18